Минск, Есенина 17 п. 16
Наше оборудование - Ваш успех
info@alran.by Оставить заявку
Корзина
0 руб.

Голова сгорания Elco KN, 3836498

голова сгорания elco kn, 3836498
(0)
Наличие: много
Elco
0 руб.
До конца акции осталось:
00дн.
00час.
00мин.
Полное описание
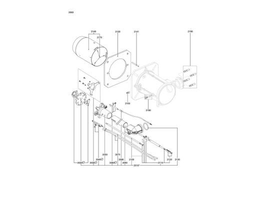
Артикул 3836498
Подарок при покупке
Дарим подарок при покупке данного товара
Выбрать подарок

Голова сгорания Elco 3836498 – это надежное решение для эффективного оснащения систем сжигания топлива. Специальная конструкция обеспечивает стабильное горение, высокую эффективность и, как следствие, минимальные выбросы вредных веществ в атмосферу. Благодаря этому, данное устройство становится экологически безопасным выбором для отопительных систем. Изготовленная из материалов, устойчивых к высоким температурам и прямому контакту с продуктами сгорания, она выдерживает интенсивные условия эксплуатации.

Установка и демонтаж головы сгорания Elco 3836498 – процесс максимально упрощенный, что значительно сокращает время на обслуживание и ремонт вашей системы. Размеры устройства – длина 212 мм, наружный диаметр 157 мм – гарантируют совместимость с большинством стандартных систем сжигания. Приобрести голову сгорания Elco 3836498 выгодно, так как это позволяет оптимизировать работу отопительной системы.

На сайте компании Альран представлен широкий ассортимент оборудования для систем сжигания топлива. Вы можете выбрать оптимальную голову сгорания, соответствующую специфике вашей установки и требованиям к её производительности. У нас вы найдете необходимые компоненты для обеспечения бесперебойной и эффективной работы.

Оптимальный выбор - купить голову сгорания Elco 3836498 прямо сейчас, чтобы обеспечить надежную работу вашей отопительной системы. Обратите внимание на характеристики, доступные размеры и, конечно же, на условия доставки по Беларуси. Выбирайте, сравнивайте, и сделайте правильный выбор!

Купить Источник бесперебойного питания

Надежные источники бесперебойного питания – это гарантия стабильности и защиты вашего оборудования от скачков напряжения. Мы предлагаем широкий выбор источников бесперебойного питания для различных задач. Узнайте больше о наших решениях:

Источники бесперебойного питания

Артикул 3836498
Длина пламенной трубы 212 мм
Места установки Газовая головка Ecoflam Ø107.5 мм, 65324694, Регулировочный стержень Ecoflam 65300821, Шкала в комплекте Ø12 X 48 мм
Наружный диаметр трубы 157 мм
Отзывов пока что нет
Но вы можете исправить ситуацию. Расскажите другим покупателям о преимуществах и недостатках товара. Ваш отзыв поможет им сделать выбор.
Оставить отзыв
Оставить отзыв
Мы ожидаем от вас честный и корректный отзыв. Поэтому не публикуем отзывы не по теме, отзывы с нецензурными выражениями и оскорблениями, а также с сылками на другие сайты.
Отмена

Способы доставки

Мы предлагаем удобные и выгодные варианты доставки. Сотрудничаем с ТК «СДЭК». Стоимость и сроки зависят от объема, веса заказа, удаленности клиента и выбранного способа доставки.

Самовывоз со складов в Москве недоступен.

Оплата

Для юридических лиц — оплата по реквизитам на расчетный счет. Для физических лиц — оплата банковской картой по ссылке. Точные условия прописываются в договоре или счете.

Elco
Компания ELCO Heating Solutions является лидером в области теплоснабжения и пионером технологий на швейцарском рынке. За более чем 90 лет своей истории бренд заслужил признание по всей Европе и в России, установив более 1,7 миллиона конденсационных котлов, горелок и гелиосистем.