Минск, Есенина 17 п. 16
Наше оборудование - Ваш успех
info@alran.by Оставить заявку
Корзина
0 руб.

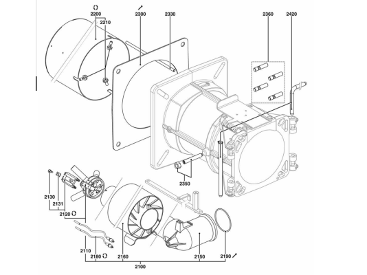
Голова сгорания Elco KL, 3835830

голова сгорания elco kl, 3835830
(0)
Наличие: много
Elco
0 руб.
До конца акции осталось:
00дн.
00час.
00мин.
Полное описание
Артикул 3835830
Подарок при покупке
Дарим подарок при покупке данного товара
Выбрать подарок

Голова сгорания в сборе, арт: 3835830 – Надежное решение для двухступенчатых газовых горелок

Данная голова сгорания (арт: 3835830) разработана специально для оснащения двухступенчатых газовых горелок. Это ключевой элемент, обеспечивающий стабильную и эффективную работу вашей горелки. Мы предлагаем оптимальный выбор, цена которого вас приятно удивит.

Изготовленная из высококачественных, жаропрочных и износостойких металлов, голова сгорания обладает исключительной долговечностью даже при высоких температурах и значительных нагрузках. Она спроектирована для устойчивой работы в условиях интенсивной эксплуатации горелок.

Благодаря продуманной конструкции, голова обеспечивает эффективную пропускную способность нагретых газов, что напрямую влияет на стабильную работу горелки. Оптимизированная теплоотдача позволяет горелке работать на максимальной эффективности, обеспечивая стабильную температуру и экономичный расход топлива. Это особенно важно для поддержания заданной температуры и снижения затрат.

Для упрощения установки предусмотрены отверстия для монтажа. Они не только облегчают процесс сборки, но и гарантируют правильное позиционирование компонента, исключая возможные ошибки при установке. Если вам нужна замена или модернизация горелки, требующая высокой надежности и длительного срока службы – это идеальное решение. Приобрести эту головую сгорания можно по выгодной цене!

Выбрать и приобрести эту надежную деталь можно, если нужна доставка по Беларуси. У нас часто бывают выгодные скидки!

Информация об Источнике Бесперебойного Питания

Источник бесперебойного питания (ИБП) - это устройство, обеспечивающее резервное электроснабжение при отключении основного источника. Обеспечивает бесперебойную работу вашего оборудования. Надежная защита от скачков напряжения. Надежность и безопасность вашей электроники.

Источники бесперебойного питания

Артикул 3835830
Длина пламенной трубы 470 мм
Места установки Блок электродов поджига Elco 90 мм, 13009726, Жаровая труба для газовых горелок Ø227 x 623 мм, в комплекте, Фиксирующий винт в комплекте M12 X 80 мм
Наружный диаметр трубы 227 мм
Отзывов пока что нет
Но вы можете исправить ситуацию. Расскажите другим покупателям о преимуществах и недостатках товара. Ваш отзыв поможет им сделать выбор.
Оставить отзыв
Оставить отзыв
Мы ожидаем от вас честный и корректный отзыв. Поэтому не публикуем отзывы не по теме, отзывы с нецензурными выражениями и оскорблениями, а также с сылками на другие сайты.
Отмена

Способы доставки

Мы предлагаем удобные и выгодные варианты доставки. Сотрудничаем с ТК «СДЭК». Стоимость и сроки зависят от объема, веса заказа, удаленности клиента и выбранного способа доставки.

Самовывоз со складов в Москве недоступен.

Оплата

Для юридических лиц — оплата по реквизитам на расчетный счет. Для физических лиц — оплата банковской картой по ссылке. Точные условия прописываются в договоре или счете.

Elco
Компания ELCO Heating Solutions является лидером в области теплоснабжения и пионером технологий на швейцарском рынке. За более чем 90 лет своей истории бренд заслужил признание по всей Европе и в России, установив более 1,7 миллиона конденсационных котлов, горелок и гелиосистем.